Plynové kotle IMMERGAS
Tepelná čerpadla
Testo měřicí technika- Klimatizace
- Fan-coil jednotky
- Krbová kamna
- Komínové systémy
- Plynové filtry
Podlahové vytápění
Průmyslové vytápění- Úprava otopné vody
Plynové kotle IMMERGAS
Tepelná čerpadla
Testo měřicí technika
Podlahové vytápění
Průmyslové vytápěníTepelná čerpadla MAGIS M EH3 jsou v provedení monoblok, což znamená, že venkovní jednotka je kompletně vybavena jak okruhem chladiva, tak okruhem pro vytápění. A nejen to. Venkovní jednotka již z výroby obsahuje elektrický bivalentní zdroj o výkonu 3 kW. Tepelná čerpadla MAGIS M EH3 jsou určena k vytápění, chlazení a případnému ohřevu TUV. Protože je okruh vytápění veden přímo z objektu do tepelného čerpadla, je nutné zajistit ochranu jednotky proti zamrznutí topné vody.
Dalším příjemným zjištěním je fakt, že tepelné čerpadlo je vybaveno sondou snímání venkovní teploty již z výroby.
Čerpadla MAGIS M EH3 jsou vybavena moderní řídicí prostorovou jednotkou již z výroby. Vyspělá elektronická výbava umožňuje regulaci nejen okruhu TUV, ale i řízení přímých a směšovaných zón topného okruhu, dále umožňuje řízení až šesti tepelných čerpadel v kaskádě bez nadřazené regulace. Na vše stačí řídicí jednotka, která je dodávána v základní výbavě čerpadla! Samozřejmostí je režim chlazení v letních měsících. Celá modelová řada tepelných čerpadel MAGIS M EH3 je dispozici ve výkonovém provedení: MAGIS M8 EH3.


|
Princip tepelného čerpadla vzduch / voda v provedení monoblok
Tepelné čerpadlo v provedení monoblok (někdy se také můžete setkat s termínem "kompakt") obsahuje čtyři základní části: výparník, dvourotační kompresor, kondenzátor a elektronický expanzní ventil. |
|
Hlavní části monoblokový tepelných čerpadel modelové řady MAGIS M EH3:
Nesmíme zapomenout také na prostorovou řídicí jednotku. Ta umožňuje jednoduše a přehledně nastavovat ekvitermní křivky, volit režimy provozu, zobrazovat provozní informace. Tlačítky na ovládacím panelu jednotky lze snadno definovat žádanou teplotu pro vybraný režim a popřípadě i upravovat parametry tepelného čerpadla v jednotlivých provozních režimech. |
MAGIS M8 EH3

| Typ čerpadla |
Přívod el. proudu |
Výstup do topného systému |
Zpátečka z topného systému |
Hmotnost čerpadla |
| Monoblok | V / Ph / Hz |
M | R | kg |
| MAGIS M8 EH3 | 230 / 1 / 50 | 1 1/4" | 1 1/4" | 110 |

stáhnout vnější a připojovací rozměry tepelného čerpadla MAGIS M8 EH3 ve formátu dwg
| MAGIS M8 EH3 |
||
| Energetická třída (55°C/35°C) | A++ / A+++ | |
| Energetický štítek (EU 811/2013) | ||
| Režim VYTÁPĚNÍ | ||
| Topný výkon1---------------(teplota topné vody 35 °C) | kW | 8,40 |
| Topný výkon2---------------(teplota topné vody 45 °C) | kW | 8,10 |
| Topný výkon3---------------(teplota topné vody 55 °C) | kW | 7,50 |
| SCOP4 | -- | 5,20 |
| Topný faktor - COP1------(teplota topné vody 35 °C) | -- | 5,51 |
| Topný faktor - COP2------(teplota topné vody 45 °C) | -- | 3,85 |
| Topný faktor - COP3------(teplota topné vody 55 °C) | -- | 3,18 |
| Pracovní rozsah teplot topné vody v režimu vytápění | °C | 12 ÷ 65 |
| Pracovní rozsah teplot vzduchu v režimu vytápění | °C | -25 ÷ +35 |
| Využitelný výtlak čerpadla při průtoku 1 000 l/h | m H2O | 8,4 |
| Minimální průtok topné vody | l/h | 400 |
| Minimální objem topné vody | l | 40 |
| Maximální tlak v topném okruhu | bar | 3 |
| Objem expanzní nádoby okruhu topení | l | 8 |
| Režim CHLAZENÍ | ||
| Chladicí výkon5------------(teplota topné vody 18 °C) | kW | 8,30 |
| Chladicí výkon6------------(teplota topné vody 7 °C) | kW | 7,45 |
| Chladicí faktor - ERR5---(teplota topné vody 18 °C) | -- | 5,05 |
| Chladicí faktor - ERR6---(teplota topné vody 7 °C) | -- | 3,35 |
| Pracovní rozsah teplot vody v režimu chlazení | °C | 5 ÷ 25 |
| Pracovní rozsah teplot vzduchu v režimu chlazení | °C | -5 ÷ +43 |
| Režim ohřevu TUV |
||
| Možnost ohřevu TUV v nepřímotopném zásobníku | -- | ano |
| Pracovní rozsah teplot topné vody v režimu ohřevu TUV | °C | 12 ÷ 65 |
| Pracovní rozsah teplot vzduchu v režimu ohřevu TUV | °C | -25 ÷ 43 |
| Obecná data | ||
| Elektrické napájení | V/Ph/Hz | 230/1/50 |
| Maximální příkon |
kW | 3,4 + 3,0* |
| Maximální proud za normálního provozu | A | 29 |
| Minimální průřez kabelu napájení | mm2 | 3 x 6 |
| Průřez komunikačního kabelu | mm2 | 5 x 0,75 |
| Doporučený jistič | A | 32 |
| Chladivo | -- | R32 |
| Množství přednaplněného chladiva | g | 1 400 |
| Fáze odtávání | -- | Automaticky, možnost manuální aktivace |
| Realizace odtávání | -- | Horkým chladivem (reverzací) |
| Kompresor | -- | Dvourotační s inventorem |
| Počet kompresorů | ks | 1 |
| Počet ventilátorů | ks | 1 |
| Elektronický expanzní ventil EEV | -- | ano |
| Řídicí jednotka v základní výbavě | -- | ano |
| Objem vody v tepelném čerpadle | l | 3,2 |
| Hmotnost tepelného čerpadla | kg | 110 |
| Stupeň elektrického krytí | -- | IP24 |
| Hladina akustického výkonu7 | dB(A) | 59 |
| Technická data jsou v souladu s EN 14 511 a jsou vztažena k podmínkám: | ||
| DB - suchý vzduch | ||
| WB - vlhký vzduch | ||
| * - vestavěný elektrický bivalentní zdroj | ||
| (1) teplota +7 °C DB, +6 °C WB / topná voda 30 / 35 °C | ||
| (2) teplota +7 °C DB, +6 °C WB / topná voda 40 / 45 °C | ||
| (3) teplota +7 °C DB, +6 °C WB / topná voda 47 / 55 °C | ||
| (4) hodnota SCOP uvedena pro průměrnou topnou zónu a nízkoteplotní aplikaci 30 / 35 °C | ||
| (5) teplota okolí +35 °C / teplota vody 18 / 23 °C | ||
| (6) teplota okolí +35 °C / teplota vody 7 / 12 °C | ||
| (7) hladina akustického výkonu v souladu s ISO 9614 | ||
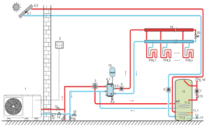
Příklad zapojení tepelného čerpadla MAGIS M8 EH3
(samostatná instalace)
Modelové schéma zapojení tepelného čerpadla MAGIS M8 EH3. Vždy je nutné dodržet minimální průtok topnou soustavou 400 l/h a minimální objem topné vody 7 litrů na 1 kW výkonu. Do zásobníku TUV je možné instalovat el. topné těleso pro doplňkový ohřev TUV.
| 1 | MAGIS M8 EH3 | 10 | Expanzní nádoba topného okruhu |
| 2 | Řídicí jednotka tepelného čerpadla | 11 | Nerezový zásobník TUV INOXSTOR V2 |
| 3 | Trojcestný ventil pro zásobník TUV | 11.1 | El. topné těleso zásobníku TUV |
| 4 | Anuloid | 11.2 | Spirála nepřímotopného zásobníku |
| 4.1 | Automatický odvzdušňovací ventil | 11.3 | Spirála okruhu SOLAR |
| 4.2 | Vypouštěcí ventil | 13 | Zpětná klapka |
| 4.3 | Čidlo snímání teploty anuloidu | 14 | Uzavírací ventily |
| 5 | Oběhové čerpadlo | 15 | Dopouštěcí ventil |
| 6 | Čerpadlo okruhu SOLAR | 16 | Vypouštěcí ventily |
| 6.1 | Čidlo snímání teploty okruhu SOLAR | 17 | Vstup SV |
| 6.2 | Solární panely | 18 | Výstup TUV |
| 7 | Cirkulační čerpadlo okruhu TUV | 19 | Rozdělovač |
| 8 | Čidlo snímání teploty TUV | 20 | By-pass |
| FHLn | Smyčky podlahového vytápění |
Příklad zapojení tepelných čerpadel MAGIS M8 EH3
(instalace v kaskádě)
Modelové schéma zapojení tepelných čerpadel MAGIS M8 EH3 v kaskádě. Kaskádu tepelných čerpadel lze složit až ze šesti jednotek. Vždy je nutné dodržet minimální průtok topnou soustavou 400 l/h a minimální objem topné vody 7 litrů na 1 kW výkonu. Do zásobníku TUV je možné instalovat el. topné těleso pro doplňkový ohřev TUV.
| 1 | MAGIS M8 EH3 - MASTER v kaskádě | 11.1 | El. topné těleso zásobníku TUV |
| 1.n | MAGIS M8 EH3 - SLAVE v kaskádě | 11.2 | Spirála nepřímotopného zásobníku |
| 2 | Řídicí jednotka tepelného čerpadla MASTER | 11.3 | Spirála okruhu SOLAR |
| 3 | Trojcestný ventil pro zásobník TUV | 12 | Filtr topného okruhu |
| 4 | Anuloid | 13 | Zpětná klapka |
| 4.1 | Automatický odvzdušňovací ventil | 14 | Uzavírací ventily |
| 4.2 | Vypouštěcí ventil | 17 | Vstup SV |
| 4.3 | Čidlo snímání teploty anuloidu | 18 | Výstup TUV |
| 4.5 | Dopouštěcí ventil | 19 | Rozdělovače |
| 5 | Oběhové čerpadlo - zóna 1 | 20 | By-passy |
| 6 | Čerpadlo okruhu SOLAR | 23.1 | Směšovací ventil - zóna 2 |
| 6.1 | Čidlo snímání teploty okruhu SOLAR | 23.2 | Oběhové čerpadlo - zóna 2 |
| 6.2 | Solární panely | TW2 | Čidlo snímání teploty - zóna 2 |
| 7 | Cirkulační čerpadlo okruhu TUV | 24 | Automatický odvzdušňovací ventil |
| 8 | Čidlo snímání teploty TUV | 25 | Manometr |
| 9 | Expanzní nádoba topného okruhu | FHLn | Smyčky podlahového vytápění |
| 11 | Nerezový zásobník TUV INOXSTOR V2 | FCUn | Fan-coil jednotky |
| A | Zóna 1 - zóna v režimu VYTÁPĚNÍ nebo CHLAZENÍ | ||
| B | Zóna 2 - zóna pouze v režimu VYTÁPĚNÍ |
|
|
|
![]() |
|
![]() |
|
![]() |
|
|
|
|
|
|
|
|
|
![]() |
|
![]() |
|
![]() |
|
|
|
|
|
|
|
|
|
|
|
|
|
|
|
|
![]() |
|
|
|
|
|
|
|
![]() |
|
![]() |
|
|
|
|
|
|
|
|
|
|
