Plynové kotle IMMERGAS
Tepelná čerpadla
Testo měřicí technika- Klimatizace
- Fan-coil jednotky
- Krbová kamna
- Komínové systémy
- Plynové filtry
Podlahové vytápění
Průmyslové vytápění- Úprava otopné vody
Plynové kotle IMMERGAS
Tepelná čerpadla
Testo měřicí technika
Podlahové vytápění
Průmyslové vytápěníMAGIS COMBO V2 jsou hybridní tepelná čerpadla vzduch/voda ve splitovém provedení.
Hybridní tepelné čerpadlo jako celek je tvořeno venkovní a vnitřní jednotkou, ve které je integrován kondenzační kotel. Vysoce efektivní hybridní systém modelové řady MAGIS COMBO V2 chytře kombinuje samotné tepelné čerpadlo s plynovou kondenzační technologií. Tento unikátní systém optimalizuje energetickou účinnost díky vyspělé elektronice, která automaticky volí energeticky nejúčinnější a nákladově nejefektivnější režim v závislosti na aktuálních klimatických podmínkách.
Hybridní tepelná čerpadla MAGIS COMBO V2 jsou složena z venkovní a vnitřní jednotky. Obě tyto hlavní části jsou samozřejmě propojeny okruhem chladiva a komunikačním kabelem. Tato hybridní tepelná čerpadla jsou určena k vytápění, chlazení a k průtokovému ohřevu TUV, který má vždy prioritu. Ve vnitřní jednotce je integrován plynový kondenzační kotel.
Dalším příjemným zjištěním je fakt, že venkovní jednotka čerpadla je vybavena sondou snímání vnější teploty již z výroby. Navíc, pokud umístění venkovní jednotky z nějakého důvodu nedovolí reálně snímat venkovní teplotu, je možné velice jednoduše připojit k tepelnému čerpadlu další (volitelnou) venkovní sondu. A to není vše!
Vyspělá elektronická výbava umožňuje regulaci nejen okruhu TUV, ale i řízení jednoho nesměšovaného a jednoho směšovaného topného okruhu. Samozřejmostí je režim chlazení v letních měsících.
Celá modelová řada tepelných čerpadel MAGIS COMBO V2 je k dispozici ve třech základních výkonových provedeních: MAGIS COMBO 4 V2, MAGIS COMBO 6 V2 a MAGIS COMBO 9 V2.
|
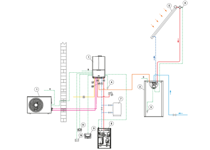
Princip hybridního tepelného čerpadla vzduch/voda v provedení split
Splitové provedení hybridního tepelného čerpadla znamená, že čerpadlo je rozděleno na dvě základní části, konkrétně na venkovní a vnitřní jednotku. |
|
Pracovni rozsah v režimu VYTÁPĚNÍ
Pracovni rozsah v režimu TUV
A - pracovní rozsah vestavěného plynového kondenzačního kotle B - pracovní rozsah tepelného čerpadla Hodnota teploty výstupní topné vody u hybridního utepelného čerpadla vzduch / voda vždy závisí na teplotě vzduchu proudícího přes výparník. Z grafu je dobře vidět, že při klesající venkovní teplotě se snižuje teplota výstupní topné vody do soustavy a samozřejmě klesá i reálný výkon čerpadla. Za zmínku stojí, že i při venkovní teplotě -20 °C je schopno hybridní tepelné čerpadlo modelové řady MAGIS COMBO V2 dodávat do soustavy topnou vodu o teplotě +50 °C. |
|
Pracovni rozsah v režimu CHLAZENÍ V letním období se zcela určitě hodí možnost klimatizace obytných prostorů. I tento požadavek je schopno hybridní tepelné čerpadlo MAGIS COMBO V2 bez problémů splnit. Aktivaci režimu CHLAZENÍ lze provést přímo na ovládacím panelu vnitřní jednotky nebo na prostorové řídicí jednotce (pokud je instalována). |
|
Vnitřní jednotka hybridního tepelného čerpadla
![]() ![]()
Vnitřní jednotka hybridního tepelného čerpadla MAGIS COMBO V2 se může pochlubit elegantním vzhledem a velmi malými rozměry.
Nesmíme zapomenout také na ovládací panel. Ten umožňuje jednoduše a přehledně nastavovat ekvitermní křivky, volit režimy provozu - VYTÁPĚNÍ - CHLAZENÍ - pouze OHŘEV TUV, zobrazovat provozní informace jak z vnitřní, tak z venkovní jednotky. Tlačítky "plus" a "mínus" lze snadno definovat žádanou teplotu pro vybraný režim. |
| Venkovní jednotka AUDAX PRO 4 / 6 V2 | Venkovní jednotka AUDAX PRO 9 V2 |
![]() |
![]() |
|
Venkovní jednotka pro hybridní tepelná čerpadla modelové řady MAGIS COMBO V2 je označována názvem AUDAX PRO V2 a liší se v závislosti na požadovaném výkonu tepelného čerpadla.
Obě jednotky (venkovní a vnitřní) jsou vzájemně propojeny okruhem chladiva a komunikačním kabelem. Ve všech typech venkovních jednotek AUDAX PRO V2 je z výroby přednaplněné chladivo R32. Minimální délka okruhu chladiva jsou 4 m, maximální délka okruhu chladiva s přednaplněným chladivem pro hybridní tepelná čerpadla modelové řady MAGIS COMBO V2 je 15 m. Pokud je okruh chladiva delší, musí se do okruhu chladivo doplnit. |
|
Vnitřní jednotka MAGIS COMBO V2

| Přívod el. proudu |
Přívod plynu |
Okruh chladiva kapalná fáze |
Okruh chladiva plynná fáze |
Výstup teplé užitkové vody |
Vstup studené vody |
Odvod kondenzátu |
Zpátečka z topného systému |
Výstup do topného systému |
| V | G | LP | GP | AC | AF | SC | R | M |
| 230 V | 3/4" | 1/4" | 5/8" | 1/2" | 1/2" | min. 13 mm | 3/4" | 3/4" |
Odkouření

Venkovní jednotky AUDAX PRO 4 V2 / AUDAX PRO 6 V2

| Přívod el. proudu |
Okruh chladiva kapalná fáze |
Okruh chladiva plynná fáze |
| V | LP | GP |
| 230 V | 1/4" | 5/8" |
Venkovní jednotka AUDAX PRO 9 V2

| Přívod el. proudu |
Okruh chladiva kapalná fáze |
Okruh chladiva plynná fáze |
| V | LP | GP |
| 230 V | 1/4" | 5/8" |

stáhnout vnější a připojovací rozměry vnitřní jednotky MAGIS COMBO V2 ve formátu dwg
stáhnout vnější a připojovací rozměry venkovní jednotky AUDAX PRO 4 V2 ve formátu dwg
stáhnout vnější a připojovací rozměry venkovní jednotky AUDAX PRO 6 V2 ve formátu dwg
stáhnout vnější a připojovací rozměry venkovní jednotky AUDAX PRO 9 V2 ve formátu dwg
| MAGIS COMBO 4 V2 |
MAGIS COMBO 6 V2 |
MAGIS COMBO 9 V2 |
||
| Energetická třída - režim VYTÁPĚNÍ (55°C/35°C) | A++ / A+++ | A++ / A+++ | A++ / A+++ | |
| Energetická třída - režim ohřevu TUV | A++ / A / XL | A++ / A / XL | A++ / A / XL | |
| Energetický štítek (EU 811/2013) | ||||
| Venkovní jednotka hybridního tepelného čerpadla | ||||
| Režim VYTÁPĚNÍ | ||||
| Topný výkon1------------(teplota topné vody 35 °C) | kW | 4,40 | 6,00 | 9,00 |
| Topný výkon2------------(teplota topné vody 45 °C) | kW | 4,20 | 5,40 | 8,60 |
| Topný výkon3------------(teplota topné vody 55 °C) | kW | 3,90 | 4,80 | 8,00 |
| SCOP4 | -- | 4,60 | 4,60 | 4,48 |
| Topný faktor - COP1---(teplota topné vody 35 °C) | -- | 5,20 | 4,92 | 4,81 |
| Topný faktor - COP2---(teplota topné vody 45 °C) | -- | 3,85 | 3,58 | 3,69 |
| Topný faktor - COP3---(teplota topné vody 55 °C) | -- | 2,95 | 2,65 | 2,93 |
| Rozsah nastavení teploty v režimu vytápění | °C | 20 - 65 | 20 - 65 | 20 - 65 |
| Rozsah venkovní teploty v režimu vytápění | °C | -25 / +35 | -25 / +35 | -25 / +35 |
| Režim CHLAZENÍ | ||||
| Chladicí výkon5------------(teplota topné vody 18 °C) | kW | 5,00 | 6,50 | 8,70 |
| Chladicí výkon6------------(teplota topné vody 7 °C) | kW | 3,60 | 4,70 | 6,50 |
| Chladicí faktor - ERR5---(teplota topné vody 18 °C) | -- | 4,59 | 4,42 | 4,12 |
| Chladicí faktor - ERR6---(teplota topné vody 7 °C) | -- | 3,24 | 3,26 | 3,33 |
| Rozsah nastavení teploty v režimu chlazení | °C | 5 - 25 | 5 - 25 | 5 - 25 |
| Rozsah venkovní teploty v režimu chlazení | °C | +10 / +46 | +10 / +46 | +10 / +46 |
| Vnitřní jednotka s integrovaným kondenzačním kotlem |
||||
| Jmenovitý tepelný příkon---------------(režim TUV) | kW | 28,1 | 28,1 | 28,1 |
| Jmenovitý tepelný příkon-----------(režim vytápění) | kW | 24,9 | 24,9 | 24,9 |
| Minimální tepelný příkon | kW | 5,1 | 5,1 | 5,1 |
| Jmenovitý tepelný výkon---------------(režim TUV) | kW | 27,3 | 27,3 | 27,3 |
| Jmenovitý tepelný výkon-----------(režim vytápění) | kW | 24,0 | 24,0 | 24,0 |
| Minimální tepelný výkon | kW | 4,8 | 4,8 | 4,8 |
| Sezónní energetická účinnost vytápění ηs | % | 91,0 | 91,0 | 91,0 |
| Využitelná účinnost při jmen. výkonu η100 | % | 97,5 | 97,5 | 97,5 |
| Využitelná účinnost při 30% výkonu η30 | % | 109,6 | 109,6 | 109,6 |
| Účinnost při jmen. výkonu--(tepelný spád 80/60°C) | % | 96,2 | 96,2 | 96,2 |
| Účinnost při min. výkonu---(tepelný spád 80/60°C) | % | 94,2 | 94,2 | 94,2 |
| Účinnost při jmen. výkonu--(tepelný spád 50/30°C) | % | 104,6 | 104,6 | 104,6 |
| Účinnost při min. výkonu---(tepelný spád 50/30°C) | % | 106,1 | 106,1 | 106,1 |
| Účinnost při jmen. výkonu--(tepelný spád 40/30°C) | % | 106,8 | 106,8 | 106,8 |
| Účinnost při min. výkonu---(tepelný spád 40/30°C) | % | 106,1 | 106,1 | 106,1 |
| Režim VYTÁPĚNÍ | ||||
| Rozsah nastavení teploty | °C | 20 - 80 | 20 - 80 | 20 - 80 |
| Maximální teplota v topném okruhu | °C | 83 | 83 | 83 |
| Maximální tlak v topném okruhu | bar | 3 | 3 | 3 |
| Objem expanzní nádoby-------(celkový/využitelný) | l | 10,0 / 8,3 | 10,0 / 8,3 | 10,0 / 8,3 |
| Využitelný výtlak čerpadla při průtoku 1 000 l/h (v režimu tepelného čerpadla) |
m H2O | 5,0 | 5,0 | 5,0 |
| Využitelný výtlak čerpadla při průtoku 1 000 l/h (v režimu kondenzačního kotle) |
m H2O | 2,7 | 2,7 | 2,7 |
| Režim ohřevu TUV |
||||
| Průtokový ohřev TUV | -- | ano | ano | ano |
| Regulace okruhu TUV | -- | ano | ano | ano |
| Deklarovaný zátěžový profil | XL | XL | XL | |
| Energetická účinnost ohřevu TUV | % | 86 | 86 | 86 |
| Rozsah nastavení teploty TUV | °C | 10 - 65 | 10 - 65 | 10 - 65 |
| Maximální teplota TUV7 | °C | 65 | 65 | 65 |
| Maximální tlak v okruhu TUV | bar | 10 | 10 | 10 |
| Minimální tlak v okruhu TUV | bar | 0,3 | 0,3 | 0,3 |
| Minimální průtok TUV | l/min. | 1,5 | 1,5 | 1,5 |
| Množství TUV při ΔT=30 °C---(stálý průtok) | l/min. | 13,1 | 13,1 | 13,1 |
| Odvod spalin --------------------(platí pro zemní plyn) | ||||
| Uzavřená spalovací komora | -- | ano | ano | ano |
| Celkové množství spalin při jmenovitém výkonu | kg/h | 44 | 44 | 44 |
| Celkové množství spalin při max. topném výkonu | kg/h | 38 | 38 | 38 |
| Celkové množství spalin při minimálním výkonu | kg/h | 9 | 9 | 9 |
| CO2 při min. / jmen. výkonu | % | 8,6 / 9,6 | 8,6 / 9,6 | 8,6 / 9,6 |
| CO vážené | mg/kWh | 20 | 20 | 20 |
| NOx vážené | mg/kWh | 29 | 29 | 29 |
| Třída NOx | -- | 6 | 6 | 6 |
| Teplota spalin při min. / jmen. výkonu | °C | 57 / 70 | 57 / 70 | 57 / 70 |
| Dispoziční výtlak ventilátoru na výstupním hrdle | Pa | 2 - 172 | 2 - 172 | 2 - 172 |
| Obecná data | ||||
| Elektrické napájení | V/Ph/Hz | 230/1/50 | 230/1/50 | 230/1/50 |
| Maximální příkon--------(venkovní + vnitřní jednotka) |
W | 2 100 | 2 900 | 4 300 |
| Příkon čerpadla-------------------(v režimu vytápění) | W | 60 | 60 | 60 |
| Příkon čerpadla-------------------(v režimu chlazení) | W | 75 | 75 | 75 |
| Příkon ventilátoru spalin | W | 80 | 80 | 80 |
| Max. proud za normálního provozu | A | 16 | 16 | 22 |
| Chladivo | -- | R32 | R32 | R32 |
| Množství přednaplněného chladiva | g | 1 200 | 1 200 | 1 400 |
| Připojení okruhu chladiva - kapalná fáze | mm-palce | 6,35-1/4" | 6,35-1/4" | 6,35-1/4" |
| Připojení okruhu chladiva - plynná fáze | mm-palce | 15,88-5/8" | 15,88-5/8" | 15,88-5/8" |
| Minimální délka s přednaplněným chladivem | m | 4 | 4 | 4 |
| Maximální délka s přednaplněným chladivem | m | 15 | 15 | 15 |
| Maximální délka okruhu chladiva8 | m | 30 | 30 | 35 |
| Fáze odtávání | -- | Automaticky, možnost manuální aktivace | ||
| Realizace odtávání | -- | Horkým chladivem (reverzací) | ||
| Kompresor | -- | Rotační s inventorem | ||
| Počet kompresorů | ks | 1 | 1 | 1 |
| Počet ventilátorů | ks | 1 | 1 | 1 |
| Elektronický expanzní ventil EEV | -- | ano | ano | ano |
| Stupeň elektrického krytí---(platí pro vnitřní jednotku) | -- | IPX4D | IPX4D | IPX4D |
| Obsah vody ve vnitřní jednotce | l | 2,8 | 2,8 | 2,8 |
| Hmotnost vnitřní jednotky | kg | 55,8 | 55,8 | 55,8 |
| Hmotnost venkovní jednotky | kg | 46,5 | 46,5 | 73,0 |
| Hladina akustického výkonu9 | dB(A) | 58 | 60 | 64 |
| Technická data jsou v souladu s EN 14 511 a jsou vztažena k podmínkám: | ||||
| DB - suchý vzduch | ||||
| WB - vlhký vzduch | ||||
| (1) teplota +7 °C DB, +6 °C WB / topná voda 30 / 35 °C | ||||
| (2) teplota +7 °C DB, +6 °C WB / topná voda 40 / 45 °C | ||||
| (3) teplota +7 °C DB, +6 °C WB / topná voda 47 / 55 °C | ||||
| (4) hodnota SCOP uvedena pro průměrnou topnou zónu a nízkoteplotní aplikaci 30 / 35 °C | ||||
| (5) teplota okolí +35 °C / teplota vody 18 / 23 °C | ||||
| (6) teplota okolí +35 °C / teplota vody 7 / 12 °C | ||||
| (7) mezní teplota teploty TUV platí pouze při instalaci řídicí jednotky a aktivního režimu Legionella | ||||
| (8) pokud je okruh chladiva delší než 15 m musí se do okruhu doplnit chladivo | ||||
| (9) hladina akustického výkonu v souladu s ISO 9614 | ||||
|
|
|
![]() |
|
|
|
|
![]() |
|
![]() |
|
|
|
|
|
|
|
![]() |
|
![]() |
|
![]() |
|
![]() |
|
|
|
|
|
|
|
|
|
|
|
|
|
![]() |
|
![]() |
|
|
|
|
|
|
|
|
|
|
|
|
|
|
|
|
![]() |
|
|
|
|
![]() |
|
![]() |
|
![]() |
|
![]() |
|
![]() |
|
